
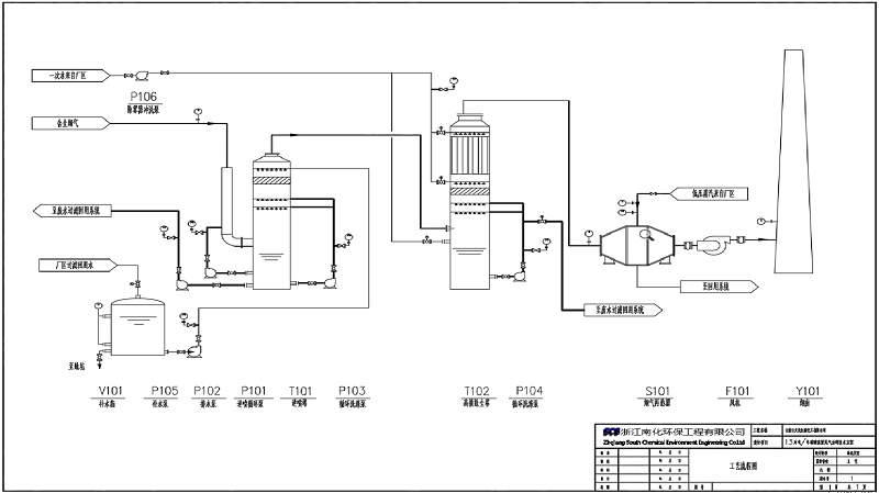
煙(yān)氣消白技術包(bāo)括:
1)煙氣直接升溫消白技術;
2)煙氣降溫冷凝消白(bái)技術;
3)煙氣降溫再熱消白技術;等等。本項目主要采用煙氣直接升溫技術。
“白煙(yān)”消除機理,通過(guò)直接加熱濕煙(yān)氣的方法(fǎ),加熱煙氣至較高的溫度,使煙氣溫度遠離該飽和狀態下的露點溫度,即可(kě)達到(dào)脫白的目的。脫白的加熱方式主要采用金屬管換熱的方式,根據中試試驗的情況及煙氣的實際情況,推薦使用316L材質的金屬(shǔ)管換熱(rè)器,加熱源可使用廠內的蒸汽或其(qí)他蒸汽冷凝水,要求溫度(dù)在100℃以上。


0571-82401171 / 18967181785